QJRB800-1 Teknik Detaylar
| Model | QJRB800-1 | |
| Eksen Sayısı | 4 | |
| Yük Taşıma | 800kg | |
| Pozisyonlama Tekrarı | ±0.5mm | |
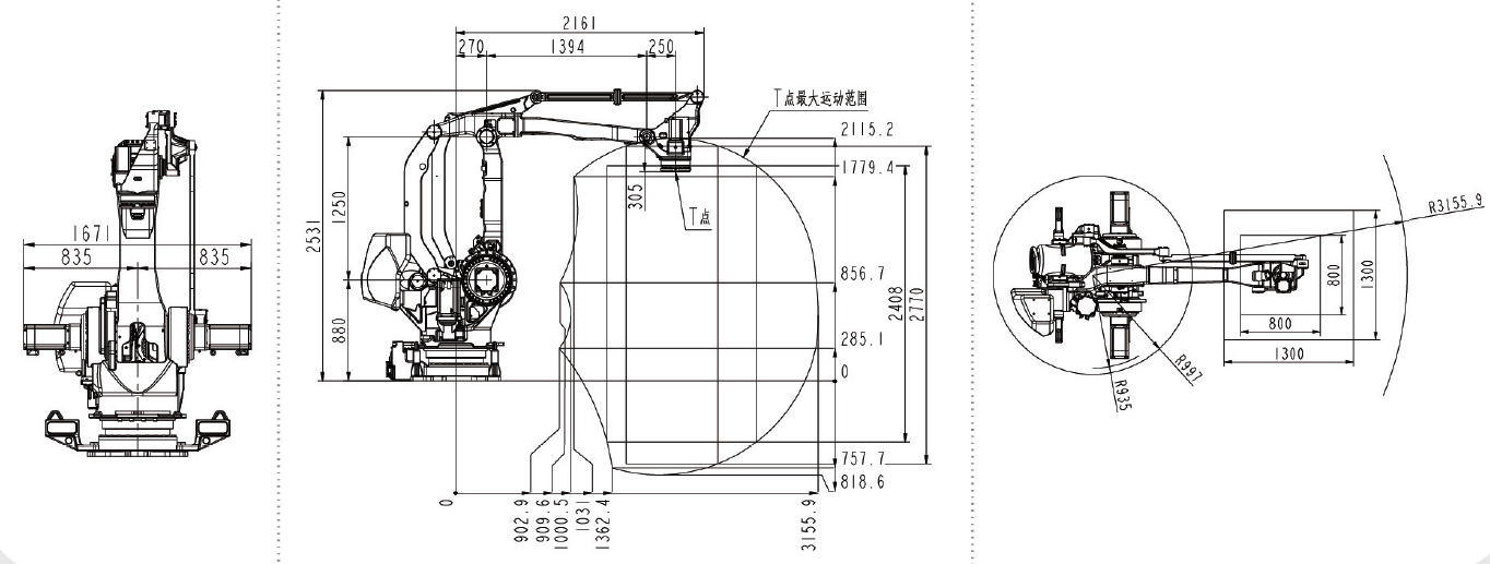
| Maksimum Kol Açıklığı | 3155mm | |
| Güç Kapasitesi | 39.6kVA | |
| Gövde Ağırlığı | 2550kg | |
QJRB800-1 Robotun Genel Boyutu ve Hareket Aralığı Çizimi

Özel amaçlı yüksek yük paletleme makinesi, yüksek hızlı ve stabil, tüm eksenler düşük güç çıkışında çalışan, basit ekipman kompozisyonu, özel paletleme yazılımı ile kullanılabilir.