QJRP10-1

• Ön tekillik bilek yapısı yoktur, isteğe bağlı yerleşik boru hattı, eşzamanlı izlemeli püskürtme öğretme işini kolaylaştırır.
• Genişletme ve yüksek hıza uygun veri yolu yapısını kullanma.

Stok kodu: QJRP10-1 Kategoriler: , , , ,

QJRP10-1 Teknik Detaylar

ModelQJRP10-1
Eksen Sayısı6
Yük Taşıma10kg
Pozisyonlama Tekrarı±0.5mm
Maksimum Kol Açıklığı2035mm
Güç Kapasitesi4.4kVA
Gövde Ağırlığı370kg

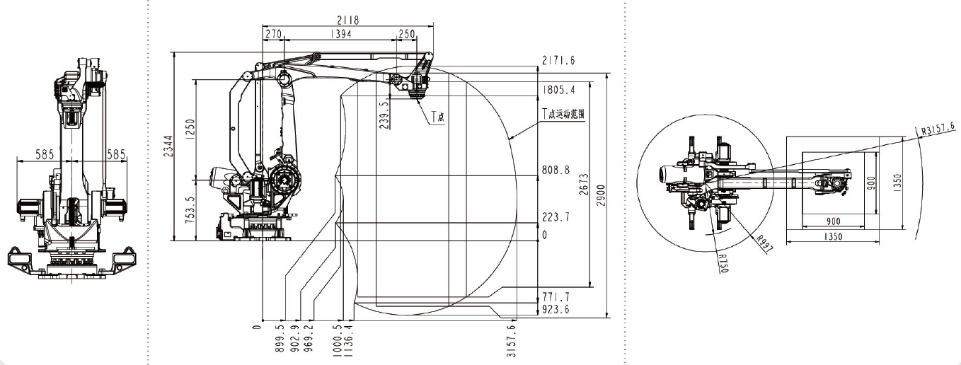
QJRP10-1 Robotun Genel Boyutu ve Hareket Aralığı Çizimi

QJRP10-1 Endüstriyel Robot Kol Genel Boyut ve Hareket Aralığı Çizimi

QJRP10-1 Robot Tabanı Montaj Boyut Çizimi

QJRP10-1 Endüstriyel Robot Kol Taban Montaj Boyutu Çizimi

Robot Uç Montajı Boyut Çizimi

QJRP10-1 Endüstriyel Robot Kol Ucunun Montaj Boyut Çizimi

Katalog

Download